• Hey Guest!
    British Car Forum has been supporting enthusiasts for over 25 years by providing a great place to share our love for British cars. You can support our efforts by upgrading your membership for less than the dues of most car clubs. There are some perks with a member upgrade!

    **Upgrade Now**
    (PS: Upgraded members don't see this banner, nor will you see the Google ads that appear on the site.)
Tips
Tips

TR2/3/3A TR3 Brake/Turn Lighting Improvement Discussion

Moseso

Jedi Knight
Country flag
Offline
Tinman58's unfortunate experience motivated me to delve into a subject I've been pondering for a while.

Situation: TR3A with corner brake/tail and inner turn sig lights.

Desire: to turn both bright filaments on each side into brake/turn signals.

Problem: making the turn and brake systems interact properly, so that the turn sig flashes whether-or-not the brake light is on.

Internet research has turned up the information that the many cars that perform this trick use different switching at the turn sig switch than we do. They have more wires running to/from the switch, and more stuff inside the switch than we do.

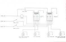
Further internet research yielded the schematic, below, obtained from an old-car forum, utilizing two DPDT relays to achieve the desired result. Looks to me as though it should work.

Any comments from the more electrically savvy amongst us? Is there an easier way? If not, further internet research has NOT yielded a wide variety of good looking options for adequately weatherproof automotive style 12V DPDT relays. Any hints on that one? (I do already know that I can wire-up 4 easily available SPDT relays to perform the same function.)
 

Attachments

  • 16911.jpg
    16911.jpg
    45.7 KB · Views: 350
Sorry man, I may be an electronics engineer... but I still cant read all of your diagram. Can you post it a smidge bigger? I don't want to make any mistakes on what anything says.
 
Moseso said:
...Desire: to turn both bright filaments on each side into brake/turn signals...

On my TR3A the turn signals were those single filament lights above the license plate.

The lights on the corners were dual filament that did brakes and sidelights.

I obtained a set of dual filament lights off of eBay (they happened to be clear lenses) and replaced the turn signal fitting with them, wiring the second filament as additional brake lights.

Now, upon braking, all 4 lights across the back come on (plus my funky magnetic high-mounted brake light). Still fairly pathetic and low, but an improvement and only set me back 9 bucks for the 2 lights.

I also added a relay to the brake circuit as I had doubts that sensitive pressure switch would like the extra load.

I suppose the rear turn signals are harder to see in daylight when the brakes are also on, but I'll take my chances with that.
 
PJ --
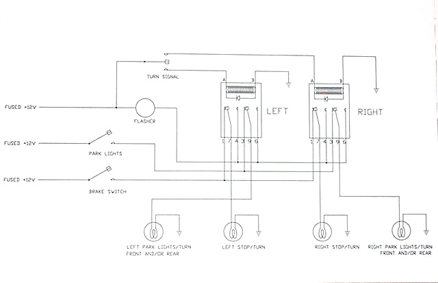
Ran out of time trying to improve the funky lo-rez schemo I downloaded. Check back tomorrow. Gotta go now!
 
Moseso said:
PJ --
Ran out of time trying to improve the funky lo-rez schemo I downloaded. Check back tomorrow. Gotta go now!

That's ok, I saved it and let photoshop do its auto adjustment thing. Crystal clear now.

Now for the inexpensive and fairly generic answer. Duel Filament Bulbs. I would also recommend LEDs as they use less power (easier on the old foot switch), are much brighter, and have a faster lighting reaction time over standard burning filaments. LEDs also last a whole lot longer than the standard Ben Frankin's. Chances are you'll have to clean the bulb housing long before you have to change the bulb. I've already changed the brake lights on my spit to LEDs, and its a world of a difference.
 
Is this not the same issue one has (in a modern car) when trying to tow a three wire trailer with a European four wire brake-running light system. If so what you are looking for is already there in the trailer adapter modules you buy to to that. If you rigged that up in the TR3 along with the modified wire so you get the bright filament doing what you want you are there. Minimal work.

I must confess I have not looked at the TR3 schematic in a while nor have I had to deal with that trailer issue since 1979 so I am rusty on the details and as such I might be way off.
 
I believe Adrio is correct; a "4 wire to 3 wire" trailer convertor should do the job.

I also believe there is a way to do it using only a pair of SPST relays and a couple of resistors; but haven't had time to wire it up and test it yet (I'm planning to do much the same thing to TS13571L, except that it does not have the single filament turn signals).

Can't draw a schematic at the moment, but the idea is that one side of each relay coil gets power from the brake switch; while the other side gets power from the turn contact for that side. One relay contact gets 12v directly; the other powers the bulb. Now, the bulb lights if either brake OR turn lights are on; but goes out when both are on. That is, with the brakes off, they flash normally with the turn signals. With the turn signals off, they come on with the brake switch. With both brake and turn circuits supplying power to the relay coil, the coil drops out and the associated light goes out. Thus it will flash out of phase with the front turn signals when the brake lights are on (which shouldn't be a problem).

The flaw in this approach is that it effectively uses the other lamps to complete the circuit through the relay coil. If some lamps burn out, others will not work. Adding some resistors should solve that problem. Resistor values are left as an exercise for the student
grin.gif
 
If you go with Randall's idea, don't forget to use diodes as well... you don't want the blinker lights back feeding. DC flows from - to +, don't wanna mess that up either :p

Resister values would be the same as a standard 1156 or 1157... or w/e bulb is standard on your car.

I stand by my dual filament (and housing) idea, with LEDs. It would absolutely be the easiest to accomplish.
 
No need for diodes; the relay coils will not pass enough current to light a normal bulb. And because the relay coils draw so little current, the (optional) resistors can be much higher resistance (and hence lower power dissipation) than the actual bulbs.

The outer lamps on a TR3/A are _already_ dual filament (the other filament is the tail lights); plus finding 'conversion' lamp holders is going to be a bit tricky. A custom conversion using a sub-plate with LEDs might be possible; the tricky part is going to be making the turn signal intensity different enough from both brake light and tail light to be easily distinguished.

I tried converting the inner turn signals to dual filament on my TR3A (using the dimmer filament for the redundant brake light). It's not a difficult conversion (and can use standard Triumph parts). However, I feel that what Art is suggesting is a better solution.

Plus of course my TR3 does not have the inner turn signals, and I am not willing to add them, so it would not work for me.

Nothing wrong with LEDs; that's a good idea too IMO (assuming one can arrange them to work with the original fixtures and lenses plus be at least as bright at all angles as 2357 bulbs). But IMO you are still going to need some logic to make the same lamp serve usefully as tail, brake and turn or even just as brake+turn. Dual 'filaments' just isn't enough.
 
TR3driver said:
No need for diodes; the relay coils will not pass enough current to light a normal bulb.

I would still use diodes as well. No point in having any unnecessary strain on the relay. They are cheap and would likely assist in the reliability of said relay.
 
pjsmetana said:
No point in having any unnecessary strain on the relay.
I guess I don't understand where you are suggesting to insert diodes, then. The most common usage of diodes in combination with relays is to suppress the inductive kickback from the coil; not to protect the relay itself, but whatever is switching the coil current. However, that would not work here, since the voltage applied across the coil is different polarity for brakes only or turn signals only. Nor would they be needed for that reason. The low resistances in the source-side circuit will provide adequate spike suppression.
 
You guys are making it more difficult than than necessary.There is room inside the tail lamp lense to silicon in a diode lampbulb,since they dont heat up it wont melt the lense.Speaker wire will handle the current just soldier the wires to the bulb (4$ at speedway),glue it in,done.This is the trick for tr2and early tr3's since they have only the center brake lamp.

MD(mad dog)
 
I did a variation of Geo Hahn's method on my 3A. Converted the turn signal lamps to dual filament. Bought a pair of 1157 type red LED but wired them to work as a single filament for extra brightness. Installed the trailer conversion kit so they are now both brake and turn signals. That was so much brighter I installed LEDs in the end lights as well. An outfit in the Carolinas custom makes LED conversions for hot rods. It so happens the 1941 Chevy tail/brake lite LED board fits perfectly in the Lucas base. The 14 square LEDS have a 130Âş viewing angle and are super bright !
FRank
 
Back
Top